|
Všeobecně
Čas od času experimentuji s přijímacími anténami, jejichž rozměry jsou
ve srovnání s délkou vlny malé nebo je malá výška antén. Pak jsou i
přijímané signály slaboučké. Experimentoval jsem s různými typy
předzesilovačů, ale nakonec jsem zůstal u velice osvědčené konstrukce
W7IUV (Larry). Larryho konstrukce byla dlouhou dobu posaná na jeho
stránkách, v poslední době však dokument není na stránkách dostupný.
Původní dokument dávám ke stažení
zde. W7IUV měl předzesilovače osazené tranzistorem
2N5109 (datasheet Microsemi) nebo 2N3866.
Tyto tranzistory jsou pouzdřeny v pouzdrech TO-39. W7IUV nastavoval
pracovní body kolektorů na poměrně vysoké proudy (Ic = 50-60 mA). Díky
tomu měly zesilovače dobré intermodulační vlastnosti. Popis posledního řešení
Předzesilovač W7IUV byl svým
designem dobře dotažený, na tom se podepsal dlouholetý vývoj autora,
mnoho
modernizací a velká zpětná vazba mnoha uživatelů. Nevýhodou řešení je,
že aktivní prvek, tranzistor 2N5109 nebo 2N3866 není jednoduše
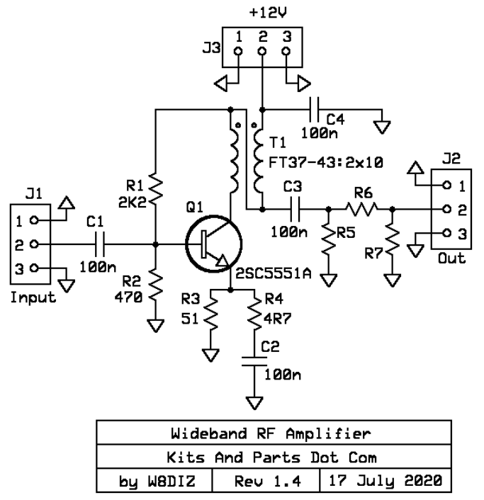
nahraditelný jiným typem polovodiče. Na internetu se objevilo řešení od W8DIZ, které bylo
konstruované s tranzistorem ONSemi,
typ 2SC5551A. Tato konstrukce byla i v roce 2025 dosažitelná jako
stavebnice na internetu:
https://www.kitsandparts.com/rfamp1.4.php, schéma a fotografie mé
realizace - viz níže.
|

|
 |
|
|
|
|
Vlastnosti předzesilovače
Měřil jsem pouze zisk. V diagramech je
uveden zisk bez výstupního atenuátoru.
Na obrázku vpravo je zisk změřený při jmenovitém napájecím napětí
Vcc = 12 V.
Na obrázcích dole jsou diagramy při napájení předzesilovače
napětím Vcc=5V a 9V.
S nižším napájecím napětím zisk zesilovače klesá.
Nelinearitu při silných signálech a
množství intermodulačních produktů jsem neměřil. Zesilovač jsem
však
vyzkoušel poslechem a přijmem na všech pásmech. Předzesilovač byl
za všech podmínek stabilní, s mými anténami a v mém QTH jsem žádné
nežádoucí produkty směšovaní na nelinearitách nenašel.
Zásadní odlišnosti konstrukcí W7IUV a
W8DIZ:
1. Zesilovč 2SC5551A byl navržen s
jednoduším obvodem stabilizace pracovního bodu. Mezi výstupem
zesilovače a bází je pouze rezistor R1, nikoliv kmitočtově závislá
vazba.
2. Pracovní bod - zesilovač W8DIZ pracuje s polovičním
kolektorovým proudem (cca 30 mA).
3. Pracovní bod je stabilizovám pomocí rezistorů R1, R2, R3.
Kmitočtová charakteristika je vyrovnána pomocí R4 a C2.
4. Napájecí napětí je blokováno pouze pomocí C4=100nF (provedení
C4 je SMT).
5. Tranzistor 2SC5551A je v pouzdře SOT-89 pro montáž SMT.
Chlazení polovodiče při proudu Ic = 30 mA je dostatečné.
|
 |
|
6. Transformátor T1 je na jádře FT-37-43 a bifilární vinutí má
2x10 závitů. Původní provedení podle W7IUV mělo poloviční počet
závitů. Zřejmě i autor W8DIZ počítal s použitím zesilovače u
aperiodických antén typu Beverage na nejnižších pásmech.
|
|
|
|
|
 |
 |
|
Mé postřehy:
V mém QTH a s mými anténami jsem nepozoroval při příjmu žádné
interference způsobené intermodulačními produkty. Byl jsem rád,
přesvědčilo mne to, že proud Ic je dostatečný. Pravděpodobně i
šumové vlastnosti zesilovače jsou pro KV aplikace vyhovující a
šumové číslo polovodiče nás nebude nijak limitovat. U tranzistoru
2SC5551A je přibližně poloviční proti 2N5109. Překvapilo mne, jak
vysokého zisku zesilovač dosáhl. Prototyp zesilovače byl stabilní,
bez náznaku jakýchkoliv parazitních oscilací, bez náznaku zákmitů.
Protože měl můj předzesilovač zbytečně vysoký zisk, osadil jsem i
rezistory R5, R6 a R7 (navržených na útlum cca 5 dB). Protože jsem
v šuplíku neměl rezistory stejné velikosti, osadil jsem ze strany
součástek rezistory SMD, které jsem připájel k původním pájecím
otvorům.
Nejsem v konstrukcích natolik odvážný, jako autor W8DIZ. Proto
jsem byl zbytečně nedůvěřivý ke způsobu blokování napájecího
napětí Vcc jediným (sice SMD) kondenzátorem C4 = 100 nF. Nicméně,
vyzkoušel jsem předzesilovač i při napájení napětím 13.8 V ze
zdroje TCVRu. Zisk při tomto napětí
nepatrně vzrostl. Protože předzesilovač používám v blízkosti
antény, je pro mě tento způsob napájení spíš hypotetický. Box s
předzesilovačem mám vybaven lineárním stabilizátorem s obvodem
7812, který má na vstupu i na výstupu osazeny elektrolytické
kondenzátory vyšších kapacit. |
Závěr
Popsaný zesilovač používám v těchto případech:
1. Použití u přijímacích smyček (RX Loop) malých rozměrů. Přestože
jsem takové smyčky řešil pro použití se symetrickým zesilovačem na
vstupu (AD8129, zkouším dvě konstrukce zesilovačů), stále jsem si
nebyl jist v názoru, zda řešení se symetrickým zesilovačem dává lepší
výsledky než řešení s osvědčeným, odolným nesymetrickým zesilovačem a
s dobrým symetrickým oddělovacím transformátorem přímo na svorkách
antény.
2. Použití u přijímacích antén EWE, Flag a Beverage. Tyto antény
bývají zakončeny rezistorem R, kterým je tvarována jejich vyzařovací
charakteristika, ale dávají malou úroveň signálu na svorkách. A zde
popsaný předzesilovač si v této roli vede velice dobře.
|