|
Úvod Konstrukcím HF balunů bylo na Internetu, v časopisech pro
hamy i na pásmech věnováno hodně pozornosti i hodně času. Mimo konkrétních
provedení balunů nalezneme i několik dobrých a několik zavádějících popisů
konstrukce. Protože se na webu zaměřuji nikoliv na návody, ale na
objasnění důležitých principů, začal jsem psát související a provázané
články k tomuto tématu.
O důsledcích na vyzařování antény píšu například zde.
Další článek je věnován zejména první základní roli balunu, tj.
roli symetrizovat, tedy
izolovat neuzemněnou část anténního systému od země.
Schémata zapojení
základních druhů balunů jsou zde. Protože jsem v těchto
článcích již dříve uvedl způsob izolace symetrické části od nesymetrické
pomocí HF transformátoru s tzv. elektrostatickým stíněním symetrické
části, měl bych pro úplnost rovněž uvést druhý základní způsob
symetrizace pomocí reaktančních prvků.
Symetrizace anténního systému pomocí reaktančních prvků - princip
Princip symetrizace s využitím reaktančních prvků je rozhodně mezi
techniky znám možná 80 let. Nejsem historik, neberte mě za slovo, pokud se
o nějaký týden či rok zmýlím, opravdu to není podstatné. Na následujícím
obrázku popisuji princip:

V nesymetrické části je schématicky zakreslen uzemněný vysílač
(generátor). V sérii s generátorem je nakreslen jeho vnitřní odpor
(klikatá značka ve schématu). Dále je za generátorem červeně zakreslen
obvod s reaktancemi. Aby to fungovalo, musí být na vstupu a na výstupu
použity reaktance stejného řádu, jako odpor na vstupu a na výstupu obvodu.
X je tedy reaktance se soustředěnými parametry a může být jak induktivní,
tak kapacitní. Výstup z tohoto "balunu" musí být proveden symetrickým
vedením proti zemi. Proč jsem toto schéma uvedl? Důvodů je více. Stále
jsou mezi námi hamové, kteří konstruují anténní tunery. Pro ty to znamená
námět k principu, který je starý, ale není zapomenutý. Dalším důvodem je,
že v literatuře a na pásmech často slyším, jak jsou mezi hamy často
uváděny např. hodnoty indukčností (v mikroHenry), které musí
splňovat různá vinutí balunů, aby to nějak fungovalo. U svých balunů sice
také uvádím hodnoty indukčností, ale to proto, aby se dalo jednoduchým
měřením zjistit, zda je balun dříve ověřené konstrukce funkční nebo
poškozený např. nárazem, pádem ze střechy, apod. Znovu se vrátím ke
stránce "transformer.htm",
kde jsem uvedl, jak lze jednoduše orientačně vyzkoušet, zda balun vůbec
symetrizuje a také, jak používám při měření balunu dělenou a symetrickou
zátěž, na které měřím napětí. Z hodnot naměřených napětí na reálném
odporu zátěže lze velice jednoduše dopočítat reaktanci, včetně její
kmitočtové závislosti, pomocí které balun plní svou první základní roli.
S takovou hodnotou lze, na rozdíl od indukčnosti, konkrétně pracovat při
řešení různých úloh. Lze zjistit, zda má tato reaktance pro použití s
danou anténou významný vliv či nikoliv. Lze se samozřejmě dopočítat také
plášťového rozdílového proudu, který nám poteče u stanice do země. Lze se
ovšem také rozhodnout, zda například při konstrukci balunu neuplatníme
několik kompenzačních reaktančních prvků, které nám jeho vlastnosti
významně vylepší.
Na této stránce veřejně poděkuji autorovi za článek, který napsal známý
ham Wippermann Wolfgang, DG0SA: Baluns richtig verstehen. Článek vyšel v
CQ DL 6-2009 a je tam mnoho
zajímavých postřehů, a také několik závěrů k výsledkům tzv. "Trenntestu",
kde je zpravidla prostě a jednoduše napsáno "Fällt positiv aus" nebo "Fällt
negativ aus" ...V článku jsou však uvedené také některé principy, které
využívají k řešení první základní role balunu reaktancí, např. drei-draht
balun nach DG0SA nebo T2FT balun podle Pottera. Doporučuji článek přečíst.
Příklad praktické realizace symetrizace skládaného dipólu pro 80
metrů pomocí reaktancí Předpoklady:
1. Ramena skládaného dipólu končí na balkóně vedle hamovny a jeho
impedance je Z = 200 + j0
2. Stanice má jmenovitou impedanci Z = 50 + j0, výstup je proveden
nesymetricky a žádné rozumné uzemnění není k dispozici, pouze rozvod NN,
přes který opravdu nechceme tahat energii vysílače a ani z něho přijímat
naindukované rušící signály. Pečlivé vyvážení symetrické anténní soustavy
je v tomto případě pro nás základní prioritou a cílem je, aby vyzařoval
pokud možno pouze symetrický dipól.
3. Symetrizační člen je tvořen pouze soustředěnými reaktancemi, které jsou
umístěné v anténní budce na balkóně.
4. Během vysílání měříme výstupní výkon (potřebujeme vysílat s vysokými
výkony), odraženou vlnu (vyžadujeme dokonalé přizpůsobení) a proud, který
nám uniká nedokonalostí symetrie do země tvořenou rozvodem NN. Schéma
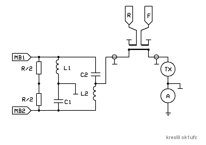
(vysvětlováno je zleva doprava):

Úplně vlevo v červené ohrádce je nakreslena místo antény její umělá zátěž
pro měření symetrie na svorkách. Je tvořena bezindukčními odpory o
poloviční hodnotě, než je reálná složka impedance. Propojení středu antény
je přeškrtnuto, protože není prakticky realizováno. Paralelně s anténou
jsou připojeny dvě reaktance se soustředěnými parametry, konkrétně
indukčnosti L1 a L2. Indukčnosti jsou v malém rozsahu proměnné. Aby měly
reaktanci srovnatelnou s hodnotou R/2, byla použita hodnota L1=L2= cca 4.5
mikroH - viz Smithův diagram. Dále vpravo je nakreslena další reaktance
(C1), pomocí které je oddělena uzemněná část vysílače TX. Protože TX je
navržen s výstupní impedancí Z = 50 + j0, musíme pro dobrý přenos výkonu
vykompenzovat jalovou složku soustavy, kterou nám vyrobily do obvodu
zapojené reaktance L1, L2 a C1. Od toho je v zapojení kondenzátor C2.
Všechny doposud jmenované součásti, namalované na schématu v anténních
ohrádkách, jsou umístěné na balkóně v anténní budce. Mezi TX a anténní
soustavou je ještě zapojena směrová odbočnice, která měří přímou a
odraženou vlnu (tj. P a VSWR). Mezi zemnicí svorkou TX a zemí je na vodiči
ještě nasunuta citlivá proudová sonda. Nulová hodnota proudu nám indikuje
dobré vyvážení soustavy. Jak se s tím dělá? Hodnoty součástí
můžeme stanovit přibližně pomocí Smithova diagramu (pro mě se to tak zdá
nejjednodušší):

Navrhujeme v těchto krocích: 1. Provedeme normalizaci diagramu na
Z=50+j0, to je malý zelený bod uprostřed (TP5).
2. Zakreslíme impedanci antény. V našem případě to je hranatý zelený bod
DP1 pro Z=200+j0.
3. Začneme malovat od bodu DP1 indukčnost L1. Jedeme až do bodu DP2, který
jsem zvýraznil kroužkem. V tomto bodě má reaktance L1 hodnotu asi 100 ohmů
neboť kružnice L1 protnula čáru s reaktancí 100 Ohmů. Reaktance 100 Ohmů
je srovnatelná (dokonce shodná) s polovinou impedance Z antény.
4. Namalujeme druhou indukčnost L2 tak, aby měla stejnou reaktanci, jako
L1.
5. Namalujeme kapacitu C1 a kapacitu C2 tak, abychom se dostali do středu
diagramu. Indukčnosti L1 a L2 realizujeme jako proměnné a jejich
nestejnou hodnotou kompenzujeme nesymetrii antény vůči zemi. Pomocí
proměnných kapacit C1 a C2 provedeme dokonalé přizpůsobení, které na
pracovním kmitočtu antény bude VSWR=1. Uvedené zapojení v tomto případě
plní obě role balunu. Symetrizuje a dokonce je schopné vykompenzovat
určité nesymetrie antény. To se může hodit. A rovněž se stará o dobrý
přenos výkonu z generátoru TX do antény. Impedanční přizpůsobení může být
dokonalé. Protože bylo využito reaktancí, přizpůsobení není bezeztrátové.
V článcích na mém webu však naleznete, jak se dá velikost ztrát řešit. Pro
náš příklad jsem ve Smithově diagramu ještě zakreslil hnědočervenou
kružnici s jakostí Q, která odpovídá match-loss ztrátám použitého obvodu.
Poznámky
I když možná tento princip v praxi nikdy nevyužijete, všimněte si několika
důležitých detailů:
1. Střed antény byl "vyroben" pomocí reaktancí.
2. Pouze s pomocí reaktancí byla provedena symetrizace.
3. Výkon z generátoru TX byl vyveden pomocí souosého kabelu se jmenovitou
impedancí stejnou, jako je vnitřní odpor generátoru TX.
4. Generátor TX může být uzemněn klidně i dokonalou zemí a přesto tam
nepoteče HF proud.
5. Živá svorka generátoru (střed koaxiálu) je přímo připojená na jednu
anténní svorku symetrické antény! Možná to není pro vás obvyklé, že
6. Uzemnění nesymetrické soustavy není ani na konci koaxiálního kabelu
připojeno přímo k žádné svorce symetrické anténní soustavy, ale je
připojeno přes reaktanci C1 do umělého středu (společný bod L1 a L2).
7. Možná neznáte princip symetrizace pouze pomocí reaktancí a své
přístroje (anténní tunery) konstruujete tak, abyste cestu plášťovým
proudům po koaxiálu nikoliv znemožnili, ale naopak usnadnili. Věřte, že
možná právě tam vznikají potíže QRM.
Některé z příštích témat bych rád věnoval důvtipnému využití reaktancí pro
vylepšení první hlavní role balunu - schopnosti symetrizovat. Proto jsem
si dovolil znovuzpracovat, popularizovat a s příkladem uvést tuto mezi
hamy méně známou teoretickou nudu, kterou určitě znal můj děda před WWII,
hi. Příklad 2 Zadání je stejné, jako v příkladu č. 1. Kreslím
již jen schéma bez komentářů a dovolím si upozornit na hodnoty prvků L1,
L2 a C1 a C2, které pro daný příklad jsou L1=L2=4.6 mikroH a C1=C2=cca 455
pF. Ve schématu ještě upozorním na zemnicí body. V anténní budce je plášť
koaxiálu propojen se středem reaktancí L1 a C1, v generátoru je
propojen s kostrou přístroje. Kostra stanice je uzemněná a na zemnicím
vodiči je sonda ampérmetru:

Protože jsem se toho v životě napočítal na kalkulačkách a v různých
spreadsheetech dost a na různé výpočty jsem si nadělal celou řadu
programů, tak jsou věci, které nejraději řeším v moderním Smithchart
software. Mám k tomu dva zásadní důvody. Nic nemusím počítat, výsledky
vidím graficky, tj. hlavně v souvislostech a navíc mám výpočet
zadokumentovaný.
Na dalších dvou obrázcích ještě uvedu Smithovy diagramy pomocí kterých
jsou postupně řešeny hodnoty reaktancí. Všimněte si, že s prvky L2 a C2
"nejedu" do Z=50 + j0, ale dvou rozdílných hodnot reaktancí, které se
vzájemně kompenzují právě v bodě Z=50 + j0. Také si všimněte, že pomocí
jedné LC větve přizpůsobuje pouze R/2 (tj. jedu z bodu Z=100 + j0):
|