|
||||||||||||||||||||||||||||
|
|
||||||||||||||||||||||||||||
|
Všeobecně Před několika léty jsem zde publikoval článek s jednoduchým řešením ztrát čtyřpólů pomocí diagramů, které jsem převzal z literatury. A byl jsem požádán, zda neexistuje co nejjednodušší metoda alespoň orientačního řešení ztrát. Osobně používám pro orientační řešení ztrát tuto jednoduchou metodu. Pan profesor by mě ve škole asi nepochválil, protože jsem si celou záležitost dost zjednodušil. Ale snad kromě řešení MLA antény, kde již byly transformační poměry vysoké a důležitou roli hlál i Q-FACTOR (činitel jakosti) použitého kondenzátoru mi to pomohlo právě proto, že tahle metoda výpočtu ztrát je asi opravdu nejjednodušší, kterou znám. Princip metody Metoda je založena na tomto schématu:
|
||||||||||||||||||||||||||||
|
Pro výše uvedený jednoduchý obvod platí tyto vztahy a
závislosti:
Tímto vztahem můžete vyjádřit účinnost našeho přizpůsobovacího obvodu, nyní L článku:
všimněte si, že účinnost jsem vyjádřil tak, jako u jakékoliv jiné mašinky, tedy poměrem výstupního ke vstupnímu výkonu. S pomocí výše uvedených vztahů a použití dvou jakostí Q (Q-Factor nezatížené indukčnosti, Q-Factor obvodu) nám vypadne to, co je napsáno na pravé straně vzorce. Tedy to, co nás tady Mirek OK2BUH celá léta učil (jsem o něco mladší a OK2BUH byla první stanice, kterou jsem na pásmu slyšel. Tenkrát dělal spojení s OK1ANG a já se začínal zajímat o taje radiotechniky ...). Tedy účinnost přenosu skrz tento jednoduchý L článek je tím vyšší, čím vyšší je poměr:
tedy účinnost je lepší, když máme co největší jakost QU cívky (nezatíženého komponentu, unloaded component Q, proto ten index U) a co nejmenší jakost QEL, Tedy co nejmenší jakost přizpůsobovacího obvodu. Jak si tedy spočítám účinnost prakticky? Jednoduše. Jakost cívky Q stanovíme výpočtem nebo měřením. Metoda měření byla mnohokrát popsaná a až budu mít víc času, určitě nějakou popíšu. Teď předpokládám, že ji umíme stanovit nebo odhadnout. Jakost QEL stanovíme snadno ve Smithově diagramu. Abych pracoval s konkrétním číslem, uvedu příklad. Přizpůsobuji pomocí L článku anténu, která má svorkovou impedanci v rezonanci Z = 150, jX=0. V diagramu to vypadá takto:
Obloučky komponentů mi to maluje zeleně. Kapacitou jsem vyjel až na čáru, která odpovídá Q = 1.5 a indukčností jsem to doladil na Z = 50 + j0. Čáry Q lze zapnout v menu programu. Účinnost přenosu energie si vypočtete z výše uvedeného vzorce. Vzoreček je také v excelovské tabulce zde, tam stačí dosadit a vyleze účinnost v procentech. Hodnoty LC jsou pro můj příklad přizpůsobení zde:
Zmíním ještě, jak je to s kaskádou L článků. Jak jsem tu odvodil a mnozí to odvodili dávno přede mnou, účinnost přizpůsobovacího článku závisí na poměru jakosti komponentu ku jakosti zatíženého obvodu. Předpokládejme, že indukčnosti umíme s konkrétní jakostí realizovat. Máme však také možnost ve Smithově diagramu nastavit jinou čáru Q. S mnohem menší hodnotou, jako např. tady:
V praxi to znamená, že jsem si dopředu stanovil, že použiji maximální hodnotu QEL a ve Smithově diagramu ji prostě nepřejedu. Přizpůsobovací čtyřpól nebude však již jednoduchý L článek. Pokud QEL nastavím ještě nižší, bude mít kaskáda ještě více článků L, například:
Závěr Pro běžnou praxi na krátkých vlnách jsem s touto jednoduchou výpočtovou metodou při řešení ztrát vystačil. Než jsem začal dělat na MLA anténě. Precizněji vyřešené čtyřpóly s ohledem na ztráty jsou v původním článku. Jak je to tedy s těmi T články, PI články, kaskádními články? Jak jsem v tomto článku výše uvedl, ztráty L článku lze snižovat za předpokladu stejné jakost komponentů Q jen kaskádním řazením takových článků, při kterém jsme schopni docílit nižšího Q-Factoru zatíženého obvodu. Pokud jsme nuceni použít jiný typ čtyřpólu, např. T článku nebo PI článku, dojde k tomuto (příklad):
Na obrázku jsou tři "obloučky" komponent. Dvou kondenzátorů a jedné indukčnosti. Všimněte si, že první kondenzátor nám těžce "přejel" čáru s Q = 1.5, která odpovídala L článku. Já jsem ho zastavil u Q=2 (můžete si spočítat o kolik jsem zhoršil účinnost) a doladil jsem zbývajícími 2 komponenty. PI nebo T článek skutečně umožňuje nastavit různá QEL přizpůsobovacího obvodu a takový obvod má různě velké ztráty, viz uvedený vzorec, vždy větší, než L článek. Lepší než L článek je jen kaskáda L článků. Pro úplnost však uvedu kaskádu jinou. Realizovanou ze čtvrtvlnného vedení:
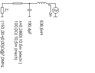
Pro svůj příklad jsem si vybral hloupou impedanci antény (150 Ohmů). Ve Smithově diagramu jsem nechal svítit kruh Q=1.5 a zapnul jsem Q=0.6. Vidíte, že na Q=0.6 jsem se dostal s vedením o vlnové impedanci Z=100 Ohmů a jednoduchým L článkem:
Vedení používám u antén napájených na konci. Někdy prostě to musí tak být, pozemek, stožáry, stavební objekty nic jiného neumožňují. Mám kvůli ztrátám raději Single Zeppelinku než LW s tunerem. Byť je v něm L článek. Jednoduchý Match Loss kalkulátor (freeware, který je zde ke stažení umí přibližně vypočítat jenom ztráty v L článku) Ztráty v L článku lze také počítat na jednoduchém kalkulátoru pro Windows s nainstalovaným balíkem Framework. Prográmek má asi 32 kB, nikam se neinstaluje, spouští se tam, kam ho nakopírujete. Obrazovka kalkulačky vypadá takto a na obrázku je napsáno, jak se s tím dělá.
Kalkulačka - program je ke stažení zde. Program je z rodiny několika kalkulaček, které jsem si napsal pro vlastní potřebu a až bude chvilička času, tak je sloučím do jednoho kalkulátoru. Program lze volně šířit a je určen k amatérskému použití. Není ho však dovoleno jakkoliv upravovat, dekompilovat nebo prodávat. Tak snad je to s těmi ztrátami ve čtyřpólech jasnější, hi. Poznámky: 1. Skripta ze školy jsem někde při stěhování ztratil. Také se s časem změnila terminologie. Proto se omlouvám, často zaměňuji termín charakteristická impedance za termín "vlnový odpor" z německého wellenwiederstand nebo za nesprávný termín vlnová impedance. Článek není jazykově korigován, psal jsem ho dneska ve vlaku, jako většinu článků. Anglické označení jsem použil úmyslně. Dnes lze na internetu najít mnoho dobrých článků v angličtině, stačí zadat dotazy typu "impedance matching", "lower Q - double L network" apod. 2. Match loss ztráty se dají měřit. Já používám dva wattmetry, dva wirematche, TX a umělou zátěž. O metodě je pár slov zde.
|
||||||||||||||||||||||||||||
|
73's Věra & Míra, ok1ufc |
||||||||||||||||||||||||||||
|
|
||||||||||||||||||||||||||||
|
© 2011 -
Věra Šídlová a
Míra Šídlo, ok1ufc, datum poslední úpravy:
28.07.2014 |
||||||||||||||||||||||||||||
|
|
||||||||||||||||||||||||||||