|
Úvod
Čipy PICAXE používám v oblasti telemetrie ke zjišťování celé řady
stavů a k měření různých hodnot.
Vstupní piny čipů PICAXE
Vstupní piny čipů (mikrokontrolérů) PICAXE lze zatěžovat napětím, jehož
hodnota nepřesahuje velikost napájecího napětí. Typické vstupní signály
jsou znázorněné na níže uvedeném obrázku:
|
 |
Poznámka: Přestože se můžeme domnívat, že designéři a autoři
mikrokontrolérů se zaměřili z edukativních důvodů na populární
robotické disciplíny a ve svém manuálu zdůraznili využití čipů pro
práci se signály z infračidel, fotoodporů, spínačů a mikrofonů, nijak
neošidili možnosti mikrokontrolérů pro využití v telemetrii. Proto
jsem si dovolil původní schéma použití podstatně rozšířit o
neopomenutelné a důležité funkcionality vstupních obvodů.
Použití vstupů PICAXE
1. Čipy jsou schopné komunikovat po sériové lince RS-232. Po této
lince jsme je schopni na dálku řídit a například jim dávat povely, aby
provedli měření hodnoty na převodníku a poslali nám ji tam, kde ji
potřebujeme zpracovat a zobrazit.
2. Potřebujeme měřit analogové veličiny. Čipy mají ADC převodníky.
Zejména 8 bitové využití (255 úrovní) je neskutečně jednoduché a v
mnoha případech s ním vystačíme.
3. Rovněž jednoduché je čítání počtu pulzů na vstupu mikrokontroléru.
To nám výborně poslouží např. s VFC převodníkem (napětí na kmitočet),
který lze technologicky snadno realizovat s linearitou ve zlomcích
procent (např. 0.01%) a čítat pulsy v rámci
jednoho slova (dvou bajtů) a rozlišit tak přes 65 tis. úrovňových
hladin).
4. PICAXE umí pracovat s některými čidly (s digitálním výstupem na
jednodrátové sběrnici Dallas). Používá se často u teploměrů.
5. Nezapomínejme na binární signály. Tj. výstupy různých kontaktů,
snímačů polohy, atd.
Na obrázcích níže uvádím příklady ze
základního manuálu picaxe. Manuál je samozřejmě v aktuálním vydání
na stránkách www.picaxe.com. |
|
|
|
|
|
|
 |
 |
|
|
|
|
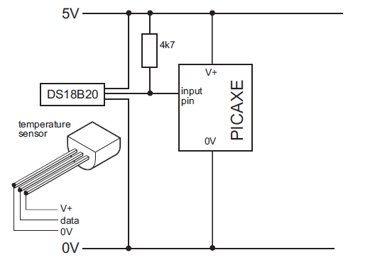
Příklad zapojení teplotního čidla DS18B20
Čidlo DS18B20 je drobná součástka v pouzdře se třemi vývody. Lze ji
napájet ze společného zdroje, kterým je napájen též mikrokontrolér
PICAXE. Datová komunikace mezi čidlem a kontrolérem probíhá po jediném
vodiči. Příklad jsem do článku zařadil proto, abych demonstroval, jak
jednoduchá bývají z pohledu HW rešení obvodová zapojení.
Závěr
V tomto článku jsem vynechal celou oblast různých řešení, která lze s
mikrokontroléry PICAXE také elegantně realizovat. Např. možnost
komunikace s externím mnohokanálovým ADC převodníkem pomocí sběrnice
I2C (umožňují typy PICAXE generace X2). Nicméně základní zapojení
vstupů, která v telemetrii používám jsem v tomto článku uvedl.
V dalších článcích se budu věnovat podrobnému popisu jednoduchého a
spolehlivého programového vybavení, pomocí kterého lze popsané
funkcionality obsluhovat a využívat. |
 |
V minulé minipublikaci (Cvičení
z radiotechniky) jsem dříve popsal
jeden z úvodních příkladů. |
|
|
|
|
|
|
|
|