Jak LNB funguje ?
Z obvodového hlediska jsou si oba LNB podobné. Vycházejí z
doporučeného schématu společnosti NXP (dříve Philips). Považuji za
užitečné pochopit funkci základních použitých obvodů.
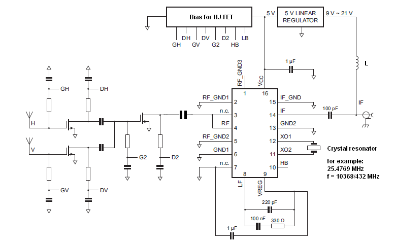
Na schématu vlevo jsou
namalované oba první stupně nízkošumových předzesilovačů pro V a H
polarizaci, následované společným druhým stupněm LNA.
Použité
polovodiče jsou typu p-HEMT nebo HJ-FET. Důležité je, že obě napětí
pro každý polovodič vyrábí jeden jediný obvod Bias (firma ZETEX). Jde o docela
důležitý obvod pro ham-radio praxi a je popsán podrobně dále v textu.
Za druhým stupněm LNA následuje obvod směšovače a oscilátorů. Tento
obvod je používán s krystalem o kmitočtu 25 MHz. Pro některé ham účely
lze krystal vyměnit za krystal jiné blízké hodnoty nebo ho lze
nahradit externím zdrojem kmitočtu z generátoru.

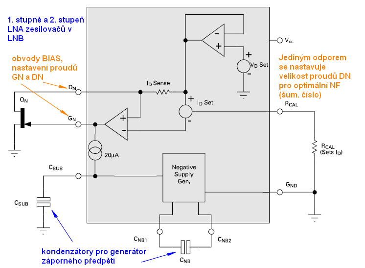
Obvody BIAS
Pro obvody BIAS jsou použité obvody firmy ZETEX.
Obvody obsahují zpravidla zdroj pro tři tranzistory pHEMT neho HJ-FET.
Dále obsahují logiku pro přepínání polarizace V nebo H a logiku pro
přepínání dělicího poměru děličky v oscilátoru referenčního kmitočtu
(tuto funkcionalitu asi nepoužijeme).
Polarizace se přepíná velikostí napájecího napětí. K tomu slouží
komparátor s napětím asi 14.75 Voltu. Při napájení 12 V je spolehlivě
přepnut do jedné polohy a při napětí 16 V (někdy uvádějí 18 V) je
spolehlivě přepnut do druhé polohy polarizace.

Na předchozím schématu jsou namalované všechny tři
tranzistory LNA. Typem součástky pro BIAS volíme pracovní napětí VDS
na hodnotu např. VDS = 2.0 Volt nebo VDS = 2.2
Volt. Proud pro optimální šumové číslo se nastavuje jediným rezistorem
RCAL
- viz schéma:

Aby bylo obvodem vyrobené záporné předpětí, bylo
nutné použít a
zapojit dva kondenzátory.
Dělicí poměr děličky referenčního oscilátoru se
přepíná pomocí superponovaného napětí s kmitočtem 22 kHz. Tuto část v
amatérské praxi nijak nevyužívám. Přepínat dělicí poměr za běhu
nepotřebuji a kde se nastavuje trvale vám ukážu dále v textu. Pro
úplnost a pro představu o principu fungování však uvádím i toto
logické obvodové schéma:

Jako příklad součástky pro obvody BIAS uvedu typ
ZNBG firmy ZETEX a
datascheet součástky ZNBG 3210/3211příp.
3115/3116
.... Obvody jsou vhodné pro použití s polovodiči pHEMT i u jiných
zapojení předzesilovačů. Hamové rádi generují záporné předpětí pomocí
obvodu ICL 7660. Nemám nic proti takovému řešení.
U konvertoru LNB z levé krabičky byl pro BIAS a napájení použit obvod
ZETEX ZXNB4202.
Mám k němu pouze nedobrý datasheet. Není tam vysvětlen úplný princip.
Ale je zřejmé, že obvod obsahuje napěťový regulátor 5 V pro napájení
PLL VCO obvodu. Obdobně je na tom Bias obvod
ZXNB4204.
Poznámka: Vyzkoušel jsem také u několika dalších
LNA vlastní konstrukce obvody ZETEX (jsou laciné, v DL běžně dostupné)
pro pásma 1296 MHz a 432 MHz s vynikajícími parametry šumových čísel a
stability LNA. Prostě parádička.
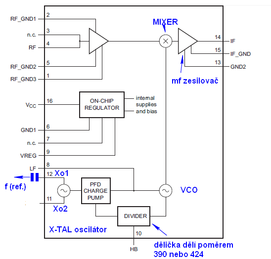
Princip LNB jako downkonvertoru pro HAM pásmo
V LNB jednotkách, které jsem označil za použitelné, se používají s
oblibou obvody firmy NXP (dříve Philips). Jedná se o integrovaný
směšovač (mixer) a PLL oscilátor pro Ku pásmo. Označení obvodů na
součástkách je např. T1017 a jde o obvody
TFF1017 (datasheet zde). Může tam být
i jiný podobný, např. TFF1015, apod.
A) Referenční krystalový oscilátor používá krystalu
o rezonanci na 25 MHz. Tento kmitočet lze změnit výměnou krystalu nebo
lze krystal odpojit, jeden vstup vf uzemnit přes kapacitu 47 pF a na
druhý vstup přivést napětí o požadovaném kmitočtu z tenkého
koaxiálního kabelu RG-174, rovněž přes kapacitu 47 pF. Druhá možnost
je důležitá, je podrobněji popsána v bodě G) a na obrázku je vstup
označen modrou barvou.
B) Dělička pracuje se dvěmi hodnotami dělicího
poměru. P = 390 nebo P = 424. Příklad: Pro přijímaný kmitočet f = 10
368 MHz, pro mezifrekvenční kmitočet fIF = 432 MHz
potřebujeme fXTAL = (10368-432)/390 = 25.4769 MHz.
C) Obvody TFF1017, apod. obsahují před mixerem RF zesilovač pro pásmo
10 GHz a za mixerem IF zesilovač pro pásmo 950 - 2150 MHz. Jde tedy
zásadně o down konvertor (konvertuje dolů), nikoliv obousměrný
konvertor. Proto z bloku LNB vyrobíme pouze vstupní díl přijímače,
nikoliv up konvertor pro TX (neno TCVR). Výstupní obvod je dostatečně
širokopásmový a většinou chodí směrem dolů od podstatně nižších
kmitočtů, než od deklaronaných 950 MHz. Zda fungují od nulových IF
frekvencí, to netuším, nezkoušel jsem to. Na 144 MHz mi fungovaly.
D) Pokud obvody TFF1015, 1017 fungují od 144 MHz,
není důvod, aby fungovaly od fIF = 618 MHz. Při dělicím
poměru P = 390 a původním krystalu 25 MHz je fVCO = 25 x
390 = 9750 MHz, po přičtení 618 MHz jsme na přijímaném kmitočtu 10368
MHz. Dnes není problém sehnat SDR rádio v USB dongle, které je schopné
na tomto kmitočtu přijímat.
E) Vstupní obvody LNB jsem nemusel nijak upravovat.
Měl jsem obavy, že mezi druhým stupňem LNA a vstupem do TFF1017 bude
nějakou formou vytvořen pásmový filtr pro pásmo Ku. Nic složitého se
však ani na jedné desce PCB nenacházelo a obvod mezi 2. stupněm a
směšovačem je dostatečně širokopásmový.
F) Dělicí poměr interní děličky je 390 nebo 424 a přepíná se logickým
signálem na pinu č. 10 (signál HB...high band).
G) Pro příjem majáků a provoz SSB jsem vyzkoušel interní krystalový
oscilátor. Stabilita oscilátoru je na hranici použitelnosti. Hliníkový
blok LNB lze sice modifikovat, vyvrtat do něho díry a nad blok nasadit
krystal v termostatu, vytápěný a s regulovanou teplotou. Nicméně,
právě tohle je zbytečná složitost a důvod vyzkoušet vnější referenční
oscilátor. Jak jsem již uvedl, malou dírkou lze signál o kmitočtu
kolem 25 MHz přivádět tenkým kabelem RG-174. A to ze stejného
generátoru (kmitočtové ústředny), kterou použijeme pro TX. Pro potřebu
provozu JT lze externí kmitočtovou ústřednu upravit tak, aby byla
synchronizovaná z časového signálu 1PPS z GPS přijímače. A dále ji lze
upravit tak, aby nám na základě výpočtu Dopplerova posunu kmitočtu
kompenzovala kmitočtový posun. Potom nemusí být tato záležitost řešena
při provozu EME (SAT) v TRXu.

| Experimenty s oscilátory jsem
prováděl s krystaly vyrobené ve firmě KRYSTALY Hradec Králové,
a.s. Pro výrobu jsem zadal kmitočet pro sériovou rezonanci (tedy
bez uvedené load kapacity) a použil jsem nejlevnější produkt s
horší teplotní stabilitou i výrobní tolerancí.
Krystaly kmitaly stabilně poblíž sériové
rezonance jak v zapojení PLL obvodu LNB, tak v externím oscilátoru
(4060), tak v referenčním oscilátoru s tranzistory. Stabilita na
pásmu 10 GHz zdá se být pro SSB i JT65 použitelná.
Finální výtvor využívá externího oscilátoru se signálem přivedeným
do LNB pomocí RG-174. Externí oscilátor je v termostatu a se
signálem vyvedeným na dva SMA konektory, druhý konektor slouží pro
připojení měřiče kmitočtu. |
 |
Výstupní obvod LNB
A) Výstupní obvod LNB je řešen tak, že LNB je napájen
po koaxiálním kabelu. Pro napájení si musíme vyrobit vhodný obvod,
který nám oddělí LNB a TRX. Takové
obvody jsem popsal např. v článku o napájení LNA pro UHF pásma.
B) Pokud použijeme mezifrekvenční kmitočty kolem 1 GHz,
nemusíme v LNB upravovat nic a budou nám fungovat původní indukčnosti
vyrobené na PCB. Já jsem toto vyzkoušel s TRXem Kenwood TS-2000,
konvertoval jsem na kmitočet 1.270 MHz, tj. VCO pracovalo na 9.098 MHz
a krystal kmital na hodnotě 23.3282 MHz. LNB fungoval úplně stejně s
generátorem DDS, ze kterého jsem kmitočet přivedl na pin 12 (XO1).
C) Pokud použijeme nízký mf kmitočet, např. 144 MHz,
doporučuji přerušit indukčnost L (je označena na schématu LNB a na
fotografii (obr. 6) je vidět jako meandr vlevo od výstupního
konektoru. Přerušené spoje se očistí tak, aby se na ně dala napájet
malá indukčnost SMD o hodnotě např. 470 nH, přes kterou se napájí LNB.
Toto funguje i u nižších mf kmitočtů, než je doporučený 1 GHz.
D) Hliníkový blok a F konektor jsem nemodifikoval. Je to naprosto
zbytečné. Dalšímu z parametrů, který uvádí výrobce, je zisk LNB,
kterému můžete spolehlivě věřit, tak jako asi každému z marketing.
parametrů. V katalogových listech si snadno najdete, jaký je
asociovaný zisk každého z obou stupňů LNA a jaký je konverzní zisk
mixeru se zesilovači. Ale v Číně určitě sečítají dB jinak, ale určitě
mají zkušenost s prodejem spotřebního zboží do EU s humanitně
vzdělanými zákazníky. Pokud popsané LNB připojujeme k TRXu, máme
možnost do outdoorové skříňky transvertoru vložit ještě jeden
zesilovač s MMIC, který pracuje na našem mf kmitočtu. Určitě někdy
příště popíšu moje provedení. Vstupní impedanci lze přizpůsobit
hodnotě 75 Ohmů a výstupní ponechat 50 Ohmů. Na propojení s LNB
používám TV koaxiální kabel s vlnovým odporem 50 Ohm (okonektorovaný
F) a na propojení s TCVRem používám 50 Ohm kabel H155.
Poznámky k úpravám LNB
1. LNB z pravé krabičky (Zircon L 101 ECO) se
snadno demontuje z hliníkového odlitku. PCB není zalepená silikonovým
tmelem, ale ani není nijak chráněná proti vlhkosti. Při demontáži sice
zničíme plastový kryt LNB, ale blok lze přepouzdřit do trubky. Tento
LNB má výhodu ve snadné demontáži desky PCB, kterou uvolníme po odsátí
pájky z F konektoru. Je vhodný pro nenáročné experimenty, při kterých
potřebujeme vyměnit krystal za jinou hodnotu.
2. LNB z levé krabičky, ozn. jako AB LNB 01 je vhodný k přestavbě, při
které neuvažujeme s výměnou krystalu, ale s úpravou, kdy přivedeme
referenční kmitočet na PLL VCO obvod. V takovém případě přivedeme
tenkým koaxiálem referenční signál do vyvrtané díry v hliníkovém
deklu. Deska PCB se demontuje obtížně a hrozí nebezpečí poškození
jemných spojů. Mnohem jednodušší je přerušit spoje ke krystalu,
přivést referenční signál a desku neodlepovat z bloku. Mě se podařilo
při odlepování v jednom případě poškodit jeden ze zářičů - budičů ve
vlnovodu. Byl čínsky připájen. Jenže po přepájení jsem neměl jistotu,
že to bylo provedeno dobře, ale LNB fungoval. Ve druhém případě se mi
podařilo poškodit spoj desky. Nechtěla se odlepit. Když jsem použil
mírné násilí, poměrně jsem ji dost deformoval. Po propájení spoje LNB
opět fungoval.
Další použití (aplikace) upraveného LNB
I. Chystá se vypuštění zajímavé družice s HAM
transpondéry. Dráha má být geostacionární. Satelit by mohl pokrýt
oblasti Evropy, Afriky, Blízkého Východu, Indie, severního okraje
Antarktidy a východního okraje Jižní Ameriky. Satelit by měla vyrobit
Mitsubishi Electric Corporation (MELCO), launch se očekává v Q3/2017
(raketa Falcon 9) a transpondéry by měly pracovat na kmitočtech:
1. NB transpondér:
Uplink: S-band, polarizace RHCP, střední kmitočet 2400.175
Downlink: X- band, polarizace LVP, střední kmitočet 10 489.675 MHz,
šířka pásma 250 kHz
2. WB transpondér:
Uplink: S-band, polarizace RHCP, střední kmitočet 2405.5
Downlink: X- band, polarizace LHP, střední kmitočet 10 495 MHz, šířka
pásma 8 MHz
Uvažuji o jednoduchém řešení přijímače, které bude
využívat TV LNB s minimální úpravou, zde popsanou. Plánuji použití
oscilátoru s obvodem VCTCXO, s kmitočtem 23.6282 MHz. Tomu odpovídá
kmitočet fVCO = 9 215 MHz a mezifrekvenční kmitočty
(Kenwood TS-2000 s modulem 23 cm) 1.274 675 GHz a 1.280 GHz.
Na geostacionárním satelitu se chystám ověřit mimo SSB komunikce a
vlastností pásem hlavně digitální druhy provozu vhodné pro slaboučké
signály. Mým osobním cílem je najít řešení maličké stanice (z pohledu
geometrických rozměrů antén a napájecích zdrojů) pro spolehlivou
digitální komunikaci.
II. Na pásmu 10.368 GHz bych chtěl ověřit, jaké jsou minimální rozměry
antén pro oboustranné a přiměřeně spolehlivé EME digitální spojení
(provoz WSJT) s technicky jednoduše řešeným přijímačem, vyzkoušet
(provozně ověřit) požadavky na kmitočtovou stabilitu oscilátorů a
způsob řízení Dopplerova posunu výpočtem a řízením kmitočtové ústředny
a stanovit potřebné výkony TX pro spolehlivější spojení.
Poznámky a úkoly
1. Stálo by za ověření použití konvertoru se 2
výstupy. Druhým konektorem lze do LNB přivádět oscilátorový signál referenčního oscilátoru.
Prakticky
popsáno a vyzkoušeno zde.
2. V
předchozím odkazu je rovněž popis o zkouškách LNB, jednak s
normálním satelitním přijímačem a také s běžným TCVRem pro amatérská
pásma a s improvizovaným generátorem.
3. O
nastavení antén je tento článek.
4. V roce 2021 jsem vyzkoušel pro řízení oscilátoru LNB oscilátor
realizovaný s OCXO, typ OH300, výrobce Connor Winfield. Rovněž jsem
definitivně opustil koncepci TRX s transceiverem Kenwood. Jako TRX
používám SDR Adalm Pluto.
Konstrukce OCXO jsem popsal zde. OCXO
použitého typu je napájen napětím 3.3 V, výstupní signál odpovídá CMOS
průběhu a do LNB ho přivádím přímo z desky OCXO bez jakéhokoliv
vloženého atenuátoru.
Závěr
Princip fungování soudobého LNB, stejně tak jeho
modifikaci pro amatérské využití považuji za úvodní slabikář k
mikrovlnným pásmům a za velice zajímavé téma, u kterého se můžeme
nejen ledasčemu přiučit, ale také získat zajímavý zdroj zábavy a
slušné zařízení za málo peněz.
|