|
|
|
Úvod
Levné analyzátory, pracující na
principu heterodynu, např. Spectrometer LTDZ 35 MHz až 4 400
MHz pořídíme dnes nové do 1000,- Kč. Mnoho muziky s nimi
nenaděláme. Též je nelze považovat za měřící přístroj, spíš za
tzv. "udělátko". Jenže v amatérské praxi pořád platí, že
lépe je analyzovat alespoň zčásti věrohodně, než se v zařízení
hrabat "cejchovaným" šroubovákem. Dočtete-li článek do konce,
zjistíte, že i přes několik nevýhod s nimi rychle zjistíte vyšší
harmonické u oscilátorů nebo otravné parazitní kmitočty, či snadno nastavíte násobiče kmitočtů.
Rozdíl mezi
analyzátorem-heterodynem a analyzátorem, který pracuje na principu
SDR
Analyzátory, pracující na principu
SDR,
nejlevnější příklad RTL-SDR klíčenky jsem popsal zde, pracují
se SW, který zpracovává z dvojice hodnot tzv. I a Q signálů,
pomocí diskrétní rychlé Fourierovy transformace požadované funkce.
Funkce mohou být použity k různým účelům - k demodulaci bežně
známých módů (od AM, FM, přes USB, LSB až po digitální druhy
modulací), ale také k zobrazení kmitočtového spektra, tj. k
zobrazení závislosti úrovně signálu na frekvenci.
Jednoduché analyzátory, pracující na principu heterodynu
využívají jiných, odlišných principů činnosti. Např. zde popsaný
LTDZ_35_4400M je osazen obvodem pro přímou syntézu kmitočtu,
konkrétně čipem ADF 4351, který je schopen generovat kmitočty
přibližně od 33 MHz do 4 400 MHz- V přístroji pracuje jako místní
oscilátor, jehož signál je přiveden do aktivního dvojitě
vyváženého směšovače, typ IAM81008 (datasheet
zde), který je schopen pracovat od nulových frekvencí až do 5
GHz. Popsaný analyzátor je tedy přímosměšujícím přijímačem, který
je schopen pracovat v pásmu od 35 MHz do 4.4 GHz. Za směšovačem je
osazena dolní propust a tzv. logaritmický zesilovač s detektorem
(známý obvod AD8307).
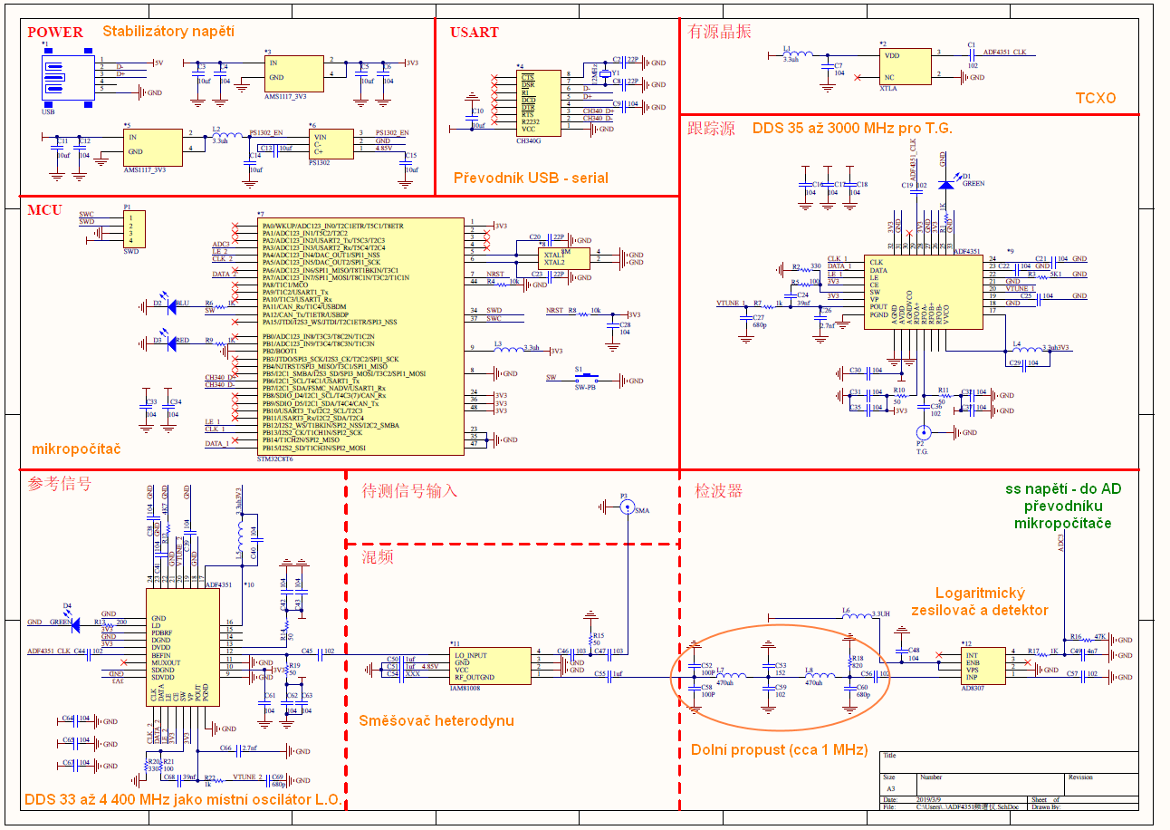
Schéma přístroje
Schéma jsem stáhnul z internetu. Dole, nad rohovým
razítkem, je logaritmický zesilovač s detektorem. Na jeho vstupu
je dolní propust (LC). Vlevo od propusti je směšovač analyzátoru,
jehož vstup (pin č. 4) je oddělen od vstupního konektoru
kondenzátorem a také je zakončan rezistorem 50 Ohm. Úplně vlevo
dole je tzv. lokální oscilátor heterodynu, s jehož signálem se
směšuje ve směšovači vstupní signál.
Popisovaný typ
přístroje je vybaven ještě jedním DDS oscilátorem (tzv. T.G., ve schématu je
nakreslen nad logaritmickým detektorem), který nijak nesouvisí s
analyzátorem. T.G. je přeladitelný v rozsahu cca od 33 MHz do 3
GHz. Můžeme ho použít jako zdroj kmitočtu pro některá
měření.
Vlevo nahoře jsou napájecí stabilizátory. Jako
USART je zde označen tzv. USB na RS232 převodník, který je osazen
známým typem čipu CH340G. Vpravo nahoře je TCXO, který slouží jako
zdroj přesného kmitočtu pro oba čipy DDS. Ve střední části je
schéma řídící části, kterou tvoří jednočipový mikropočítač s
vlastním krystalem. |
 |
|
Omezení, která plynou z principu a z vlastností
použitých součástí
Použité typy čipů DDS a
směšovače nám vymezují pásmo, ve kterém můžeme provádět
kmitočtovou analýzu na cca 33 MHz až 4400 MHz. Použitý
směšovač (jedná se o křemíkový bipolární MMIC, aktivní dvojitě
vyvážený balanční směšovač) má šumové číslo cca 17 dB. Tímto
parametrem je dána citlivost kmitočtového analyzátoru, která se s
ohledem na uvedený parametr až tak nehodí pro příjem signálů.
Směšovač rovněž definuje maximální úroveň vstupního signálu.
Domnívám se, že při hodnotách nad 10 dBm hrozí proražení
směšovače. Doporučuji upravit analyzovaný signál vnějším
atenuátorem tak, aby signál nepřesáhl úroveň 0 dBm.
Přímosměšující princip a jednoduchá dolní propust nutně vede k
tomu, že detektor přijímače z principu musí zpracovat horní i
dolní postranní pásmo. Šířka pásma propusti je asi 1 MHz. Pokud si např. roztáhneme analyzovaný
signál vysílaný radiostanicí Icom IC-92D (mód úzkopásmová FM,
kmitočet 145,500 MHz), budou obě postranní pásma vypadat takto:
|
|
 |
|
|
|
|
Mimo uvedených slabých stránek (dvě postranní pásma heterodynu a
vysoké šumové číslo směšovače) má však princip výhodu nejen ve
velké přeladitelnosti a ale také v tzv. bezešvosti, jisté
plynulosti v měření. Lokální oscilátor jede od jednoho kmitočtu k druhému
za velice podobných podmínek. Detektor rovněž v sousedství
detekuje signály za podobných podmínek. Spektrum pozadí rovněž navazuje
spojitě. Nikde se skokem nemění žádné zisky předzesilovačů,
nepřepínají se skokem pásmové propusti, jako na vstupech SDR. A
tohle všechno je
prostě na spektru a jeho pozadí vidět, i když detektor dynamickým
rozsahem neoplývá. Právě tohle se mi líbí, protože zobáčky
oscilátorů, jejich harmonických, produkovaných parazitů, případně
subharmonických (u DDS je to důležté) na velikém monitoru PC hned
a na první pohled vidím. |
|
Provedení přístroje
Přístroj velikosti
kreditky je napájen z USB rozhraní, ze kterého je současně řízen.
Vypadá takto: |
|
 |
|
|
|
|
 |
|
|
|
|
 |
|
|
|
|
 |
|
|
|
|
Na čelním panelu je červená LED dioda, která po připojení k USB
bliká. Pokud je přístroj řízen a probíhá např. analýza spektra,
LED svítí. Druhá dioda je modrá. Rozsvítí se, pokud potřebujeme
pracovat s tzv. tracking generátorem (TG). Ten lze rozmítat v
uvedeném rozsahu kmitočtů, může pracovat na jediném kmitočtu.
Abychom naměřili na výstupu signál, musíme zmačknout jediné
tlačítko na panelu a modrou LED rozsvítit.
Na zadním
panelu jsou dva SMA konektory a dvě LED. LED svítí, pokud je
příslušný generátor (lokální oscilátor heterodynu nebo TG)
aktivní. |
|
Software
Výrobce přístroje nedodává žádný
software. Doporučený SW je NWT4.11.09 verze. Ten však nelze ze
stránky výrobce stáhnout. Výrobce však dodává starší
verzi NWT4.09. Autorem SW je Andreas DL4JAL, ale ani na jeho
stránce není verze 4.11.09 k dispozici. Na stránce je informace,
že Andreas nadále SW nevyvíjí. Možná je potřebná verze někde ke
stažení, ale já jsem po ní nepátral (čas je drahý).
Stáhnul jsem si funkční SW od
Davida F4HTQ, který mi ergonomií obsluhy vyhovuje. Verzi, kterou jsem použil při
napsání článku, lze stáhnout
také zde.
Analýza kmitočtového spektra,
příklady
Na obrázku dole vidíte spektrum mého
vysílače, zachycené na maličkou prutovou anténu. Na kmitočtech
těsně nad 100 MHz vidíte malá spektra silných FM vysílačů. Také na
tomto obrázku lze vidět obě postranní pásma heterodynu.
|
|
 |
|
Pokud zapneme tzv. capture filtr, změní se zobrazení spektra
takto. Zobáček spektra mé stanice a silného FM vysílače je zjevný.
|
|
 |
|
|
Spektrum stanice Icom, vysílající na 145,500 MHz v pásmu 100 až
1000 MHz. Jsou zjevné zobáčky druhé harmonické na 291 MHz a třetí
harmonické na 435 MHz: |
 |
|
|
|
Měření oscilátoru 565 MHz pro buzení násobičů. Na vstup připojen
zdroj kmitočtu Leo Bodnár,
který je analyzován v pásmu od 400 MHz do 700 MHz a obsah jeho
harmonických od 500 MHz do 2500 MHz. GPS generátor je připojen
přes útlumový člen 20 dB: |
 |
|
|
 |
Na obrázcích jsou při tak širokém spektru vidět jen spektrální
čáry, protože i jednoduchá nízkofrekvenční dolní propust
přímosměšujícího heterodynu je dost úzká. Dokonce i přítomnost
obou postranních pásem nijak nevadí.
Na posledním obrázku
je vidět silná spektrální čáry na požadovaném kmitočtu, poměrně
potlačená druhá harmonická, dost silná třetí harmonická a
slaboučká 4 harmonická na kmitočtu 2260 MHz. |
|
|
Závěr
Popsaný přímosměšující analyzátor
se nevyznačuje vysokou citlivostí, jako přístroje pracující na
principu SDR, ani nemá velký dynamický rozsah, jen něco přes 50
dB, to je dáno logaritmickým zesilovačem s detektorem (AD8307).
Takový rozsah je
srovnatelný s klíčenkou RTL-SDR. Předností popsaného heterodynu je
snadná přeladitelnost v širokém pásmu (35-4400 MHz). Rychlost
přelaďování je větší, než 800 bodů za sekundu. Druhou předností je
vysoká odolnost přímosměšujícího přijímače, na vstupu se přeci
jenom nevyrábí tolik parazitních produktů, jako ve vstupních
obvodech některých SDR. U některých SDR jsem viděl potíže se
zrcadlovým příjmem na kmitočtech v pásmech stovek MHz. Tohle také
z principu není možné u přímosměšujícího principu. Tam nás blízké
zrcadlo otravuje opravdu jen tím druhým sousedním zobáčkem (viz
první obrázek).
Přímosměšující analyzátor mám rád a často ho používám na několik
základních měření:
- Rychlé zjišťování vyšších harmonických u
oscilátorů. - Při měření na násobičích kmitočtů. Hlavně
vyvážené zdvojovače výrazně potlačují základní kmitočet, ale také třetí a
další harmonické. Na tomto analyzátoru je výsledek hned vidět.
- Ke zjišťování, jak nám potlačují harmonické dolní propusti na
výstupu lineárních zesilovačů.
Ač se jedná o jednoduché udělátko, používám ho často a rád.
Poznámky: 1. Neměl jsem možnost seriózně
ověřit SW verze NWT4.11.09, takže neznám ani jeho funkcionalitu,
či možnosti. 2. Okrajově jsem se dostal k vyzkoušení placené
verze (drobný poplatek) jiného SW od autora Vitor Martins Augusto.
|
3. Ve všech programech jsem našel drobné chybičky.
Např.
v programu F4HTQ se mi při prvních experimentech nedařilo zapnout
Tracking Generátor (T.G.) Později jsem přišel na to, že kromě
stisknutí tlačítka na čelním panelu je třeba před spuštěním T.G.
spustit analyzátor ve sweep módu. Jenže po vypnutí (viz obrazovka
vpravo VFO stop) a opětovném zapnutí (VFO Start) se sice T.G.
spustil, ale na bůhvíjakém kmitočtu. Prostě chybička se někde
vloudila, asi nebyly správně nastavené parametry DDS ADF4351.
Pokud o tom víme a potřebujeme s generátorem někam pískat, snadno
předem spustíme sweep ...
4. Program F4HTQ je ergonomický,
snadno se obsluhuje. Na detaily, jak s ním dělat si snadno každý
přijde sám. Program je maličký, napsaný v C #. Po stažení souboru
zip ho stačí extrahovat na určené místo na disku (mám ho mezi tzv.
executable (portable) programy. Nic se nikam neinstaluje.
5. Celý přístroj je natolik maličký, že ho můžete mít s podobně
maličkými aparáty (např. nano VNA) vždy při ruce, nejen v dílně, v
hamovně, ale hned vedle PC.
|
 |
|
|
|
|
|
|
|
|
|