Poslední aktualizace  2020

      
 

   Jak vidlák vyrábí GPS DO (profesionálové  ať nečtou)
Úvod

Vyzkoušel jsem tuto nejjednodušší verzi GPS DO (GPS disciplined oscillator). Realizoval jsem ji z laciného GPS modulu, který vidíte na obrázku vpravo.

GPS obsahuje anténu a GPS modul u-blox osmé generace. O modulech si lze přečíst něco na stránkách u-blox nebo zde (modul NEO-M8).

Zda je GPS tímto modulem osazená, netuším. Program, který lze stáhnout na stránkách u-blox (U-CENTER) ji tak identifikuje - viz obrázek dole.

Z programu si snadno vyzkoušíte různé standardní funkce GPS (poloha, čas, ...), které jsou přenášené protokolem NMEA po sériovém portu. GPS má rozhraní USB, které se nám objeví ve správci zařízení Windows jako nějaký COM xx, v mém případě to byl COM6.

Z menu "View" lze spustit "Configuration View". Právě z tohoto menu lze nastavovat funkci UBX-CFG-TP5, pomocí které měníme kmitočet a střídu oscilátoru v GPS, který je vyvedený na pin č. 3 označený "TIME PULSE" - viz obrázky dole a je synchronizovaný z GPS.

Kmitočet by měl být podle manuálu konfigurovatelný od 0.25 Hz do 10 MHz.


 

 


 

 
Kmitočet konfigurujeme tak, že si v UBX-CFG-TP5 (Timepulse 5) menu - viz obrázek vpravo zaškrtáme políčka Frequency, Duty Cycle, sync mode a nastavíme hodnoty požadovaného kmitočtu a střídy signálu. Manuál (aplikační poznámky s příklady) u-blox je tady.

U GPS, na které jsem toto zkoušel jsem měl problém, že jsem ji nerozebíral detailně, ale pouze jsem odstranil kryt (5 vrutů, gumové těsnění).


 

 

 
Protože jsem nerozebral GPS zcela, abych se dostal k čipu (a ani nevím, zda to jde), zkusil jsem odebrat signál na LED diodě.

Než připojíme kabel s oddělovacím kondenzátorem, vyzkoušíme si, zda nás GPS poslouchá na protokolu UBX-CFG-TP5. Již pohledem na LED zjistíme, zda se změnila střída signálu po nastavení. Vizuálně, okem vidíme, že když nastavíme kmitočet 4 Hz, že LED bliká rychleji, vidíme i rychlé kmitání 10 Hz. Potom bude LED jen svítit a kmitání už neuvidíme. Tady přijde na řadu osciloskop a měřič kmitočtu. Ten při prvním pokusu připojíme pomocí koaxiálního kabelu, který je na jednom konci okonektorovaný SMA. Konec bez konektoru připájíme k LED tak, že živý konec (nebo oba) oddělíme stejnosměrně kondenzátory SMD.

Vyzkoušíme, kam až jde nastavovat kmitočet. U mého kusu to šlo do 24 MHz a ani o jeden Hz výš. To je blbé, protože by se mi hodil kmitočet 25 MHz pro řízení VFO DDS, kde bych nahradil drahý, ale výborný oscilátor leobodnar. Nicméně, hodil by se mi i kmitočet 25.787179 MHz, který posílám do LNB pro příjem satelitu QO-100.

První řešení - použil jsem třetinové kmitočty a násobič kmitočtu 3x s jedním tranzistorem a laděným obvodem. Takže finálně jsem byl v "katalogovém pásmu" u-blox 7 či 8 generace. Vzorek s u-blox 7 (GPS jsem vyraboval z klíčenky) je na fotografii na konci článku a schéma je tamtéž.

Druhé řešení - v oblasti řešení GPS DO klasické. Vezmeme přesné VCXO, fázový závěs s obvodem 4046 a binární děličky - obvod 4060. Kmitočet TCXO podělíme 4, na GPS DO nastavíme 6.25 MHz a oba kmitočty přivedeme do 4046. Výstupem z 4046 (PLL) dolaďujeme VCXO. Chodí to krásně, zatím to mám jen na "píchací bastl desce" pro děti nepájivém kontaktním poli. Ale až udělám PCB, dám sem fotku a schéma. Koho neodradí schéma vysmahnuté od ruky a propidou, ať se koukne na pdf.

Na obrázku vpravo dole je ukázka, když se pokusíme nastavit nevhodnou hodnotu kmitočtu. Pole je červené (světlé) a konfigurace nejde odeslat. Překročil jsem hodnotu o 1 Hz. Po každé změně odesíláme nastavení tlačítkem "Send", které je vlevo dole v menu
UBX-CFG-TP5 (viz pohled na menu o tři obrázky výš).
 

 

Signál na výstupu 1pps z modulu u-blox
 
Na výstupu 1pps se mi podařilo nastavit nejvyšší kmitočet 24000000 Hz (tedy 24MHz). Výstupní signály na kmitočtech 24 MHz, 10 MHz a 1.611699 MHz vypadají takto:
 
 
Na konci krátkého koaxiálního kabelu naměříme úroveň špička špička asi 5V. Kmitočet 1.61 MHz je kmitočet 25.787179 / 16 = 1.611699 a tento kmitočet jsem použil ke stabilizaci VCTCXO, kde krystal kmital na kmitočtu 25.787179 a tento kmitočet jsem používal pro heterodyn RX s LNB na příjem QO-100. Krystal kmital v obvodu 4060, což je krystalový oscilátor se sérií binárních děliček. Pro fázový závěs 4046 jsem bral kmitočet podělený 16 a do druhého vstupu 4046 jsem přiváděl signál přímo z GPS u blox. Ladicí smyčka fázového závěsu byla velice pomalá.
 

Závěry

1. Experiment považujte za vidlácký. Sloužil jen k ověření funkcionality modulu. Jsou levně k sehnání samotné moduly GPS a udělat PCB je prostě čistější řešení.

2. Také lze sehnat PCB desky osazené moduly u-blox, které mají sériové rozhraní pro arduino. Pomocí USB/RS232 kabelu je lze samozřejmě nastavovat po sériovém rozhraní z programu U-CENTER, lze z nich vyvádět signál z pinu na konektor, snadno vyřešit jejich záložní napájení, atd.

3. V menu UBX-CFG-??? se podíváme na další možnosti nastavování. Např. napájení externí antény, což se nám může hodit.

4. Při pokusu výše popsaném nám konfigurace vydrží jen po dobu připojení napájecího napětí. Po odpojení od napětí bude na výstupu kmitočet 1 Hz se střídou, myslím cca 10% (default).

5. Pokud po nastavení kmitočtu vypneme program U-CENTER 20.06.1, GPS zůstane napájená a GPS DO poběží na nastaveném kmitočtu.

6. Aby se nám nastavil GPS DO na požadovaný kmitočet i po odpojení a opětovném připojení napájecího napětí, musíme uložit konfiguraci do čipu GPS. Mě to šlo těmito ikonami. Po uložení a odpojení napájení se mi GPS DO rozběhl na kmitočtu uloženém:

 

 

7. Podle mne jde asi o nejlacinější řešení nastavitelného GPS DO, který je prostě v dnešní době v radioamatérské praxi nezbytný.
8. GPS modul u-blox je velice citlivý. To znamená, že GPS DO mi funguje v přízemí patrového domu uvnitř místnosti i v hamovně.
 

Na obrázku vpravo je verze vyrobená z vyrabované GPS USB klíčenky. Moje klíčenka byla osazená čipem u-blox 7. Na destičce GPS je vespod čip, záložní hodinková baterie a pár drobností. Klíčenku nastavuji z programu U-CENTER (předchozí popis). Klíčenka je připájená k PCB desce s násobičem v bodech USB konektoru (není vidět). Na fotografii je vidět tranzistorový násobič s LC obvodem. Na bastl se mi nechtělo obětovat kostřičku s feritovým jádrem, tak jsem vinul vzuchovou cívečku. Kapacita pro rezonanci je asi 100 pF a je poskládaná z keramického kondenzátoru a z trimru na doladění (není třeba, stejně jsem ladil roztažením cívky.

Kmitočet GPS jsem nastavil na 8.595726 MHz. Střída 50%. Signál sice už není obdélníkový, ale z obdélníku vzešel a obsahuje tedy množství lichých harmonických. Násobič vybírá třetí harmonickou, tj. kmitočet 25.787179, jehož zázněj jsem poslouchal (aby to pískalo a ukazoval S metr) o něco níž:

Poslechem, zdál se být signál čistý. Je docela silný (několik dBm) a i když jsem nacpal na vstup odpovídající atenuátory, ukazoval S metr plnou výchylku S9 + 60 dB.

Po upravení úrovně a přivedení signálu do LNB fungoval LNB stejně, jako s původním GPS DO generátorem, který jsem používal doposud.

Blbé je, že moje klíčenka dlouho ležela a má nějakou mizernou baterii. Toto způsobilo, že večer GPS-DO chodil, ale vypnutý do rána zapomněl, jak byl nastaven. Musel jsem ho nastavit znovu z programu U-CENTER. Krátkodobé vypnutí modulu nijak nevadí. Nastavíte kabelem USB, potom odpojíte, připojíte na napájecí kabel a GPS DO běží tak, jak má.
 


 

Přestože je schéma extrémně jednoduché, o to pracnější je nastavení. Jedná se o násobič kmitočtu třemi. Nastavoval jsem ho takto:

- signál na vstupu z generátoru f= 25.787179, naladit LC na maximální úroveň na výstupu, a to včetně připojeného koaxiálu (1m jumper)
- přepnout generátor na f=8.595726, nastavit R1 na maximální obsah třetí harmonické (25.787179 MHz)
- doladit opatrně LC a vyzkoušet s LNB

Základní nevýhodou tohoto řešení je značný obsah ostatních harmonických. V jednom případě mi LNB už nepracoval správně, protože se jeho PLL zachytil na jiném kmitočtu. S násobičem jsem si musel doslova pohrát a nastavovat velice pečlivě. Proto variantu, jejíž schéma jsem zde uvedl, nedoporučuji začátečníkům, kteří nemají zkušenosti s vf technikou. Jde víceméně o nostalgické zapojení. Níže je uvedena moderní násobička s PLL závěsem, která vyžaduje minimum pasivních součástí a rovněž toho není třeba moc nastavovat.
 
Nicméně, i začátečníkům se může hodit přesný nastavitelný GPS DO generátor do 10 MHz. Ten svůj jsem si zrealizoval úpravou předchozího zapojení. Z násobiče jsem udělal oddělovací zesilovač. Ten nevyžaduje žádné rezonanční obvody.

Na rozdíl od násobiče kmitočtu není toto zapojení záludné v ničem.

Výstupní úroveň je na mém vzorku asi + 10 dBm.

Obrázek vpravo - orientační kontrola příručního čítače na kmitočtu 10.0000 MHz

Na obrázku je vidět destička osazená součástkami oddělovacího zesilovače (levá část desky) a vnitřek klíčenky u-blox (pravá část desky). Z klíčenky je vidět jen plochá anténa a USB konektor. Z USB je vše napájené.

Věřím, že klíčenka může být zdrojem přesného kmitočtu pro mnoho amatérských přístrojů i při mnoha měřeních.

9. Pokud vyžadujeme vysokou čistotu signálu, řídíme referenčním kmitočtem z GPS VCTCXO. Typ, který jsem zkoušel, umí rozladění napětím asi o 4 ppm. Proti nominálnímu kmitočtu byl ujetý asi o 0.5 ppm a bez GPS se držel v mezích plus mínus 0.25 ppm. Proto jsem použil pomalou integrační smyčku PLL. Ale, co je důležité, PLL neporovnávalo GPS na kmitočtu kolem 10 kHz, jak bylo často publikováno, ale na kmitočtu 25/4 = 6.25 MHz. Důvod pro tento kmitočet je prostý. GPS u-blox mají fungovat do 10 MHz (dle datasheetu) a jednoduché dělení a přizpůsobení úrovní mezi děličkou a VCTCXO umí jednou pouzdro obvodu 4060. Fázový závěs je osvědčený 4046 a dál už mimo VCTCXO a GPS modulu v zařízení není. Další praktické vyvedení funkčního vzorku jsem popsal zde.
 
10. V mnoha případech nám bude stačit násobený signál z GPS. Moderní řešení násobiče kmitočtu pomocí moderních násobiček PLL vyrobíme s minimálním počtem pasivních součástek. V mém zapojení (dole) jsou jen 2 oddělovací a 2 blokovací kapacity.

K řešení jsem použil vynikající obvod ICS501 (stojí cca 50,- Kč na našem trhu).  Obvod je určen na násobení kmitočtů krystalů (cca 5-27 MHz) nebo hodinových kmitočtů generátorů (cca od 2 do 50 MHz). Poměr násobení se nastavuje logickými hodnotami na pinech č. 4 a č. 6 (Vstupy S1 a S0). Maximální kmitočet na výstupu (pin č. 5) může být do cca 160 MHz.

Výhodou použitého principu násobení je dokonalé potlačení základní harmonické i ostatních nežádoucích harmonických. Obvod funguje s LNB, které používám pro příjem QO-100.

V mém případě jsem použil vstupní kmitočet 6446795 Hz a na výstupu jsem obdržel přesně 25.787179 MHz.

 
Výstup lze řídit signálem OE (output enable). Výstup je blokován, pokud je tento pin spojen se zemí. Výstup je třístavový, pin č. 7 je vybaven pull-up rezistorem, normálně ho tedy není třeba nikam připojovat. Kmitočet z GPS u-blox přivádíme na pin. č. 1. Násobicí poměr nastavujeme pomocí pinů č. 4 a č. 6. Já jsem použil násobení 4, proto jsou piny spojené s GND - viz červený spoj na schématu.
Na funkčním vzorku jsem použil malou destičku s PLL násobičem. Jde o levou desku na fotografii, vedle desky s oddělujícím zesilovačem. Šítač na levém obrázku měří kmitočet 25.787179 (zobrazuje 25.7872) MHz. Tento kmitočet je na výstupu PLL násobiče. Čítač na pravé fotografii měří kmitočet na výstupu z GPS u-blox. Tam naměříme hodnotu kmitočtu 4krát nižší, protože je PLL násobič nastaven na 4 násobné násobení. Hodnota je 6.446795 MHz přesně (na displeji 6.4468 MHz).
 

V době, kdy jsem zkoušel funkční vzorek, měl jsem v šuplíku k dispozici dříve osazený násobič. Navrhl jsem však pro použití v GPS DO malou destičku PCB. Obvody už jsou rovněž na cestě. Až budu mít chvilku, desku PCB osadím a dám sem foto. Motiv desky s PLL násobičem nahrazje desku s tranzistorovým zesilovačem a vyveden na konektor je jen výstup 25 MHz.

Co dodat? Jde o nejjednodušší řešení GPS DO oscilátoru pro hodnoty frekvencí nastavitelné do několika desítek MHz.
Stránka je stále rozepsaná. Nejsou lidi a experimenty ve volných chvilkách jdou pomalu. Takže ještě napíšu, co k danému tématu právě zkouším:

1. Z upravovaných LNB Zirkon mi zbyly krystaly 25 MHz v malých futrálech. Mám připravené VCXO s obvodem ICS501 v katalogovém zapojení s krystalem a 2 externími kondenzátory. Jeden z nich je doplněn kapacitou varikapu, který lze ladit z fázového závěsu. Toto je varianta pro řízení pomalou smyčkou fázového závěsu z GPS.

2. Upravený, vysoce stabilní TCXO, který lze řídit napětím. Toto je varianta pro nejčistější referenční signál z GPS DO.

3. Zde popsaný GPS DO s PLL násobičkou  ICS501, který jsem upravil pro vestavbu do plastové skříňky s krytím IP65 k použití na ráhně ozařovače ofsetové antény. Jde o výše uvedené schéma s klíčenou GPS u-blox generace 7. Výstup násobičky jsem navíc vybavil rezistorem 33 Ohmů na úpravu impedance na 50 Ohmů, horní propustí (T článek, který potlačuje kmitočty pod 10 MHz) a dolní propustí (PI článek, která potlačuje kmitočty nad 40 MHz, chci vyzkoušet ještě propust do 26 MHz). Propusti jsou ze SMD součástí velikosti 1206. Schéma je tady:

Ti, se kterými dělám spojení na QO-100 poslouchám na tuto sestavu: anténa 35 cm offset, tzv. Camping set, takový shit v kufříku prodávaný globalizovanými dealery třídy Alza, (nepoužívám tu WiFi Yagi, která je na některé fotce), modifikovaný LNB Zircon (dvě verze, stránka zde a zde), zde uvedený GPS DO, zatím za oknem bez škatulky a standardní TCVR pro 432.5 až 433 MHz jako RX (a taky jsem vyzkoušel RTL-SDR). Včera (19. října 2020, mi Stevo OM0MS zavysílal cca 200 mW, ale do jeho velké paraboly, takže byl pořád silný,  dokonale čitelný 59; v sobotu mi zavysílal Slawek DL6SH 100 mW, ale nenapsal jsem si průměr paraboly, předpokládám, že větší než 1m, byl také dost silný a čitelný). Nemám zatím objektivně vyzkoušeno, jaké nejslabší signály je schopen na QO-100 tento setup přijímat. Rovněž nemám nijak ověřeno, jak dobrý je LNB Zircon, ani jak se projevuje na jeho šumovém čísle injekce z GPS DO zde uvedené vidlácké konstrukce. Moje stránka o příjmu QO-100 je tady a o vysílači zde.
 
Modul GPS u-blox NEO-M8N

V průběhu listopadu jsem obdržel GPS přijímač s čipem u-blox NEO-M8N. Před vyrobením finální verze zdroje kmitočtu 25.787 MHz (injekce do LNB pro příjem QO-100 v pásmu 70 cm) jsem vyzkoušel všechny použité obvody, zejména tvarovač s obvodem 74HC04, který se nám postará o zesílení výstupního signálu z GPS, jeho vytvarování a zesílení pro PLL násobičku s ICS501.

Tvarovač i PLL násobička jsou na samostatných malých deskách PCB. Prostě je někdy jednodušší zahodit nefunkční malou desku, než nefunkční finální výrobek.

Finální výrobek obvykle tvořím až po vyzkoušení konkrétních modulů.

Poznámky:

1. Zkoušel jsem různé přijímače GPS. Pouze jediný dával slušnou úroveň signálu s naprogramovaným kmitočtem na výstupu 1pps.

 

 

Deska tvarovače (použil jsem jiná hradla, než ve schématu) a měření kmitočtu na výstupu tvarovače (foto dole a vpravo):

 

   
Nastavení a ověření základní funkcionality

Modul GPS jsem nastavil pomocí programu u-blox center - viz vpravo. Násobička má nastavené násobení 4 x, takže jsem nastavoval kmitočet 6.446795 MHz.

Kontrola

Kmitočet musíme naměřit kapesním čítačem na výstupu tvarovače - viz foto.
Samozřejmě signál musíme vidět na spektrálním analyzátoru a slyšet na kontrolním přijímači. Tvarování je dobře vidět na osciloskopu. Osciloskopem také můžeme nastavit optimální hodnotu zpětnovazebního rezistoru R. Já jsem pouřil R = 15 kOhmů.

Propojení všech přístrojů na stole je vidět na obrázku dole.

   

   
Co nám chybí k finálnímu provedení?

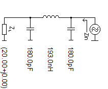
Pokud chceme vyzkoušet DPS DO v přijímací nebo ve vysílací cestě amatérské stanice, vybavíme generátor dolní propustí. Výstupní impedance ICS501 je asi 20 Ohmů. Navrhneme si dolní propust ve Smith. diagramu. Návrh je proveden v diagramu (dole), podle schématu (vpravo vedle tohoto textu).
Dolní propust necháme transformovat impedanci na Zvýst = 50 + 0j.

 

Provedeme kontrolu potlačení horních kmitočtů (vpravo dole). K tomu použijeme funkci sweep (vpravo, od cca 5 MHz do 50 MHz nebo více). Abychom měli představu, jaké VSWR je pro vyšší frekvence, zapneme si kružnice VSWR. V diagramu nahoře vpravo jsou zapnuté kružnice VSWR = 1,5; 3; 5; 30. Vidíme, že na kmitočtech vyšších, než 50 MHz je VSWR vyšší, než 30 a tomu odpovídá Return Loss RL menší než 0.6 dB (vidíme v okně Cursor):

Na jmenovitém kmitočtu 25.787 MHz je RL větší než 30 dB (VSWR je menší než 1.05): 

   
Kontroly důležitých parametrů

Osazená deska (tvarovač, PLL násobič) je při měření kmitočtu na fotce vpravo.
Myslíte, že návrh je  finální?

   

Poznámky:

1. Deska obsahuje provedení dolní propusti (fotografie nad textem), ale "zapomněl" jsem na realizaci atenuátoru. Je použitý a snižuje úroveň za dolní propustí na cca 0 dBm. Na fotografii je použitý koaxiální typ na výstupním konektoru SMA. Mohl být na desce, je tam místa dost. Takže až v další verzi. Součástky tvarovače a PLL násobičky jsou v horní části desky (foto vpravo nad, vedle čítače). Ve skutečnosti jde (v plastové krabičce) o spodní část. Při měření je GPS modul "na drátech", ale je mu vyhrazeno místo pod součástkami.

2. V okolí PLL násobičky ICS501 jsou neosazené součástky (C1, C2, krystal). Pro případ, že by deska sloužila k jiným experimentům.

3. Při měření jsem napájel desku i GPS z power banky. Bohužel, z nedobré power banky, která sice umí pass trough režim, ale neumí napájet přístroje s nepatrnou spotřebou.  Abych spotřebu zvýšil a zajistil jsem minimální odběr, připájel jsem na modulu GPS DO rezistor R = 82 Ohmů mezi svorky Vdd a GND. Tím jsem na desce zjevně něco zničil a výsledkem bylo, že na svorce Vdd od tohoto okamžiku není žádné napětí. Pro účely GPS DO však deska stále funguje. Musel jsem však předělat napájení desky násobičky.

4. Takže modul před zkouškou v zařízení vypadá jako na obrázcích dole:

a) použita plastová krabička
b) napájení i výstup 25 MHz je vyveden na konektor Canon (DB9), původní SMA na okraji desky jsem uštípnul (odstranil)
c) použité špičky pořadí zleva: GND (černá), 25 MHz (koaxiál), + 5V (červená), data (bílá), data (zelená)
d) modul GPS je na samostatné destičce jednostranného kuprextitu, která je připájená mědí (vespod) ke 4 špičkám konektoru, je nad deskou násobičky - viz foto
e) deska s tvarovačem a násobičem je na dně krabičky
f) z připojovacího konektoru jdou tenký koaxiál RG174 (černý, na konci SMA) a USB kabel asi 1m dlouhý (světlý šedý pro napájení, nastavování kmitočtu, na konci USB vidlice)
g) uvnitř krabičky je krátký kus kabelu s konektorem micro USB, přes který je modul napájen

5. GPS DO slouží při praktické zkoušce k frekvenční stabilizaci modifikovaného LNB, použitého pro příjem QO-100.

6. GPS DO byl vyzkoušen pro řízení DDS oscilátoru AD4351. Byl nastaven kmitočet GPS modulu f = 6.25 MHz, násobení PLL 4x, výstupní kmitočet přesně 25.000 MHz. Fungoval spolehlivě.


 

   

Spektrum DDS oscilátoru AD 4351 řízeného pomocí vidlácké  GPS DO

Poznámky:

1. Úroveň signálu z GPS DO byla pro DDS 4351 upravena atenuátory.
2. Při měření spektra klíčenkou RTL SDR jsou IM produkty mimo dynamický rozsah klíčenky. Blok s TCXO vykazoval uvedené výsledky. Toto, bohužel, neplatilo pro všechny moduly u-blox, které jsem měl ke zkouškám.
3. Měl jsem ještě dvě klíčenky ke zkoušce. Byly jiné konstrukce. Neměly vyveden signál 1pps a vyváděl jsem ho z diody 1pps. Pravděpodobně tyto bloky neměly ani slušný TCXO a výsledkem bylo nepoužitelné spektrum.

 

   TU 73, Mira, ok1ufc